Full Text (PDF)
Review Article

Advances in Paneer

Rekha Chawla , Rekha Chawla , Nitika Goe

Author Information

Licence:




Indian Journal of Agriculture Business 1(2):p 125-133, Jul-Dec 2015. | DOI:

How Cite This Article:


Timeline

Received : N/A         Accepted : N/A          Published : N/A

Abstract

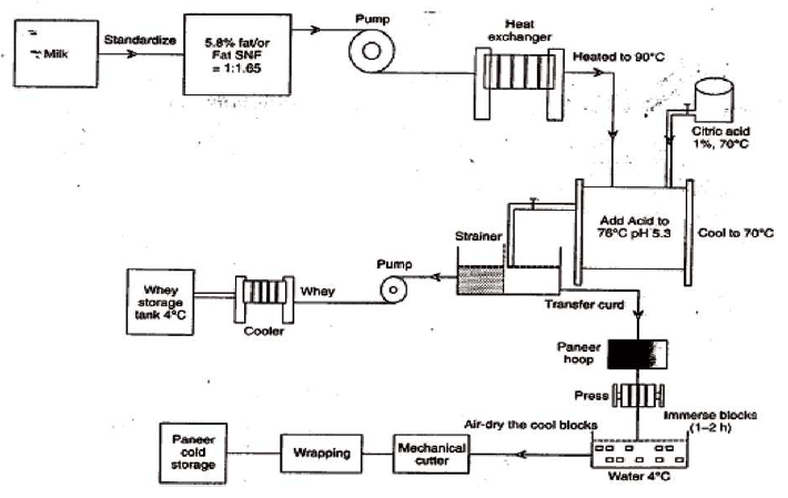
Paneer is an important indigenous product which is obtained by heat treating the milk followed by acid coagulation. It has been a delicacy from ancient times which can be used in the preparation of a variety of culinary dishes and snacks. Paneer is a rich source of animal protein and is characterized with marble white color, sweetish, mildly acidic taste, nutty flavor, spongy body and closely knit and smooth texture. Conventional method of paneer has various limitations viz. wastage of milk solids, variation in quality of paneer, lack of mechanization in manufacturing, etc. Another constraint in large scale manufacturing of paneer is short shelf life. To meet ever growing demand of paneer and to overcome these limitations, myriads of studies has been done by researchers to develop new techniques for manufacturing paneer and to promote its hygienic production. Various technological innovations in paneer manufacture and methods of shelf life extension have been reviewed in this article. Paneer being an established product offers a great prospective for value addition. 

 


References

No records found.


About this article


Cite this article


Licence:




Received Accepted Published
N/A N/A N/A

DOI:

Keywords

Paneer; Mechanization; Value Added Paneer; Shelf Life Extension. 

Article Level Metrics

Last Updated

Saturday 28 February 2026, 12:21:21 (IST)


950

Accesses

0
121
00

Citations


NA
NA
NA

Download citation


Article Keywords


Keyword Highlighting

Highlight selected keywords in the article text.


Timeline


Received N/A
Accepted N/A
Published N/A

licence



Access this article



Share